Grohe Rainshower System Smart Control Duo 360 Duvara Monte Termostatik Bataryalı Duş Sistemi - 26250000

|

Stok Kodu: SKU: 26250000

144,154.46TL

%46

79,284.95TL

Adet

2 saat ve 56 dakika içinde sipariş verirseniz bugün kargoda!

Stok: 7 Adet

Ürün Bilgileri

GROHE Rainduş SmartControl 360 DUO Tezgah Üzeri– sezgisel kontroller ve lüks GROHE TrioMassage spreyine sahip gelişmiş duş sistemi

📊 Teknik Veriler
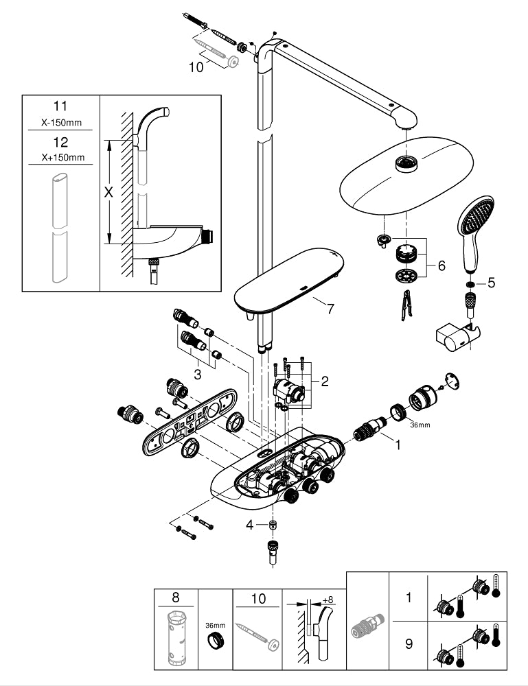
Pos. No. Prod. Beschreibung
1 Termostatik kompak kartuş 1/2
2 Kartuş
3 Çek-valf
4 Çek-valf
5 Filtre
6 Sprey kapağı
7 Kapak
8 Soket anahtarı
9 GROHE TurboStat kartuş 1/2"
10 Kompanse diski
11 tadilat/yenileme için duş sistemi borusu
12 tadilat/yenileme için duş sistemi borusu
Özellikler
  • yatay duş kolu 500 mm
  • sıva üstü SmartControl termostatik batarya
  • Rainduş tepe duşu Duo 360, krom sprey plakası
  • GROHE PureRain akışı ve TrioMassage
  • Power&Soul 115 el duşu (27 671)
  • el duşu askısı (27 055)
  • Silverflex duş hortumu 1750 mm 1/2" x 1/2" (28 388)
  • en düşük akış miktarı 10 l /dk.
  • GROHE DreamSpray mükemmel akış
  • GROHE LongLife kaplama
  • GROHE CoolTouch el yakmayan yüzey
  • GROHE TurboStat ile sabit sıcaklık
  • GROHE SafeStop 38°C’de sabitlenebilir sıcaklık
  • GROHE SafeStop Plus opsiyonel 43°C sabitelenebilir sıcaklık
  • Açma-kapama için SmartControl buton, GROHE EcoJoy su tasarruflu akıştan tam akışa kadar hacim ayarlaması yapmak için kullanılır
  • GROHE EasyReach duş tablası
  • GROHE SpeedClean kireç kırıcı sistem
  • uzun ömür için Inner WaterGuide
  • şok ısıtıcılar için uygun 18kW/h
  • TwistStop - dolanmayan hortum
📄 Dökümanlar
Teknik Çizim:
Teknik Çizim 1
Performans Grafikleri:
Grafik 1

Teknik Özellikler

  • Marka: GROHE
  • Renk: Default Title

Taksit Oranları

Değerlendirmeler

Customer Reviews

Based on 8 reviews
38%
(3)
38%
(3)
13%
(1)
0%
(0)
13%
(1)
t
trabzondan1198
Fena değil

Rainshower serisi gerçekten kaliteli. Beklediğim gibiydi, ne fazla ne eksik. Oğuz Bey her soruma sabırla cevap verdi. İlk alışverişim değil, güvenle Hepsibanyom'dan alabilirsiniz.

G
Gönül62
5 yıldız hak ediyor

Hepsibanyom'dan aldığım en iyi ürün! Kullanımı çok pratik. Burhan Bey'in güler yüzlü hizmeti unutulmaz. Grohe'den vazgeçemiyorum. Krom kaplama çok kaliteli. Termostat çok kullanışlı. Montaj ustası 'kaliteli malzeme' dedi.

H
Hülya Bayrak
Memnun kaldım

Rainshower tam aradığım tasarımdı. Teslimat hızlıydı, 2 günde elime ulaştı. Ürün kaliteli, tavsiye ederim. 3. kez Hepsibanyom'dan alışveriş yapıyorum, her seferinde memnunum. Tesisatçımız beğendi, montaj kolay oldu.

Ö
Ö. Yılmaz
Hiç beğenmedim

Hiç memnun kalmadım, tavsiye etmiyorum.

B
Büşra22
Gayet başarılı

İyi bir alışveriş oldu. 2-3 günde elime ulaştı, Hepsibanyom'a teşekkürler. Grohe her zaman en iyisi. Çocuklar için de güvenli bir ürün. Başka sitelere de baktım ama Hepsibanyom en iyisiydi.

Öneriler
Bilgiler
Taksit Oranları
Değerlendirmeler